
AZCL系列智能集成式諧波抑制電力電容補償裝置
聯系我們


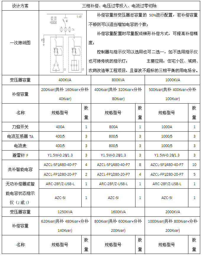
AZCL智能集成式諧波抑制電力電容補償裝置
AZCL系列智能集成式諧波抑制電力電容補償裝置是應用于0.4kV、50Hz低壓配電中用于節省能源、降低線損、提高功率因數和電能質量的新一代無功補償設備。其中串接7%電抗器的產品使用于主要諧波為5次、7次及以上的電氣環境,串接14%電抗器的產品使用于主要諧波為3次及以上的電氣環境。應用范圍:
應用于0.4kV、50Hz低壓配電系統。訂貨范例:
具體型號:AZCL-SP1/480-50-P7






工程案例
MORE+